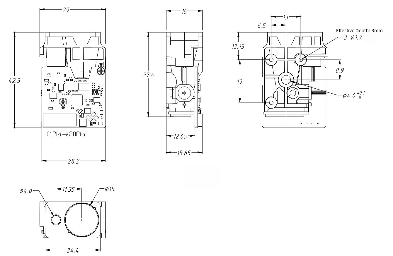
Ideal for industrial & commercial needs, the 26 Movement is a compact (42.3×29×16mm) red-light dual-emission laser ranging module. It delivers 150m measurement range (front-end reference), ±3mm±100×10⁻⁶×D room-temperature accuracy (Kodak whiteboard, <500lux), and meets Class 2 laser safety standards—reliable for long-term use.
Perfect for industrial automation (precision positioning, defect detection), UAV inspection (distance monitoring for safe navigation), and smart transportation (vehicle distance measurement). Operates at 0~40℃, fits space-constrained setups. Boost your projects with accurate, efficient ranging—ideal for global buyers seeking industrial-grade laser solutions.
NTLR--RLDE-26 | |
Wavelength | 650nm±20nm |
Measuring Range | 0.05m~150m (front-end reference) |
Accuracy (at room temperature) | ±3mm±100×10⁻⁶×D (D = measurement distance in mm); Test condition: Kodak whiteboard, illumination <500lux |
Communication Interface | Serial Communication Protocol |
Baud Rate | 9600bps |
Supply Voltage (DC, V) | 3.3V ± 0.05V DC (ripple <20mV required) |
Power Consumption(W) | standby <70mA (laser on); Ranging peak: <200mA (@3.3V) |
Laser Emission Power(W) | 0.45mW ~ 0.95mW; Complies with Class 2 laser safety standards |
Dimensions(mm) | 42.3(L)×29(W)×16(H)mm |
Measurement Time | Typical value: 0.5s (tested on a white wall at 3 meters, illuminance < 500lux), Maximum value: 3.5s |
Temperature Drift (compared with its own normal temperature data) | (Place a target at 10m; when the module's ambient temperature is 25℃, the measured distance is D1; when the module's ambient temperature is any value between 0~40℃, the measured distance of the same target is D2; |D2-D1|≤5mm |
Operating Temperature | 0~40℃ |
Storage Temperature | -10~60℃ |

Pin No. | Function | Pin No. | Function | |
PIN1 | 3.3V | PIN11 | IO5 | |
PIN2 | 3.3V | PIN12 | IO6 | |
PIN3 | 3.3V | PIN13 | TX | |
PIN4 | GND | PIN14 | RX | |
PIN5 | GND | PIN15 | IO7 | |
PIN6 | GND | PIN16 | IO8 | |
PIN7 | IO1 | PIN17 | IO9 | |
PIN8 | IO2 | PIN18 | IO10 | |
PIN9 | IO3 | PIN19 | IO11 | |
PIN10 | IO4 | PIN20 | IO12 | |
Parameter | Specification |
Baud Rate | 9600 |
Data Bits | 8 bits |
Stop Bits | 1 bit |
Parity Bit | None |
Flow Control | None |
l External Transmission:
l Normal Response:
l Error Response: <0Ezzz> (zzz is a 3-digit number representing the error code)
l External Transmission:
l Normal Response:
l Error Response: <0Ezzz> (zzz is a 3-digit number representing the error code)
l External Transmission:
l Ranger Response:
l Error Response:
l External Transmission:
l Ranger Response:
l Error Response:
Example of Add Constant Setting: To correct a deviation between the movement's test data and the actual distance (reduce the overall measurement data by 5mm):
Send
Send
l External Transmission:
l Ranger Response:
l Error Response: <0Ezzz> (zzz is a 3-digit number representing the error code)
Error Type | Error Code | |
Weak Signal | <0E001> | |
Over Range | <0E002> | |
Strong Signal | <0E003> | |
LD Error | <0E004> | |
Strong Background Light | <0E005> | |
Hardware Error | <0E006> | |
Other Unknown Errors | <0E009> | |




